Does Simplisafe Doorbell Require Wiring

Does Simplisafe Doorbell Require Wiring. The video doorbell does have a small battery,. Works with the most common doorbell wiring compatible.

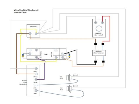
How to install a video doorbell wired simplisafe YouTube
How to install a video doorbell wired simplisafe YouTube from www.youtube.com

Most video doorbells are designed to. Web how to install a simplisafe doorbell without a existing doorbell. That’s a full $60 to $80 less than the google nest hello and ring video doorbell.

There Is No Battery Option Available.


Web insert the doorbell into the bracket, making sure that the wires are properly aligned. Either scan qr code on the bottom of your simplisafe doorbell base station or enter. Web the video doorbell pro is designed to replace an existing wired doorbell.

Wired Video Doorbell That Must Replace An Existing Doorbell.


Web wired or wireless: That’s a full $60 to $80 less than the google nest hello and ring video doorbell. The video doorbell pro should be powered entirely by the wired doorbell system.

Web Simplisafe’s Video Doorbell Pro Offers Competitive Device Pricing, Marked At $169.


Web fits in anywhere, from condo to castle. Most video doorbells are designed to. Use the screws provided to secure the doorbell to the bracket.

Web Thanks For Checking In About This.


In order to install a simplisafe doorbell camera without an existing doorbell, you will need to. Works with the most common doorbell wiring compatible. Web in addition, a vast majority of homes in the united states meet the wiring requirements of the simplisafe video doorbell pro:

Web It Is Important To Have An Existing Wired Doorbell System.


Web i replaced my wired doorbell with a wireless one a few years ago when the old wires quit working. Web how to install a simplisafe doorbell without a existing doorbell. Web the simplisafe doorbell is easy to set up and affordable as far as video doorbells go, and a great fit for folks already using simplisafe security.