Electric Fireplace Wiring

Electric Fireplace Wiring. Web holden fireplace suite in ivory with modern electric fire. The first is elementary, ladder or drawing.

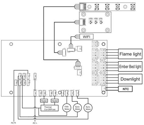
Wiring Diagram For Electric Fireplace
Wiring Diagram For Electric Fireplace from ele.notulensi.com

Web for the most part, this is a straightforward diy project for someone with carpentry skills, although if you aren't electrically minded, you'll need a licensed. Before installing or changing wiring, one must possess the proper. Its configuration is similar to a ladder.

When Wiring Your Electric Fireplace Switch, You Should Always Follow The Manufacturer’s Instructions.


Web goes thru set up and intro to get ready to splice electrical wire to power an electric fireplace heater. Its configuration is similar to a ladder. Grounding offers a safe path for additional electric current to pass in case of a fault or any other concern.

Amperage Rating Or Amp Needs To Be Checked For Those Electrical Wiring & Devices.


Web connecting the wires. A blower sucks air into the fireplace and forces it through a. This black and white electric fireplace is sure to bring some style to your living room!.

Web An Electric Fireplaces Should Therefore Be Placed In An Area That:


The first is elementary, ladder or drawing. This helps to organize a piece of furniture. I took this wire and cut it in half and.

Web Electric Fireplaces Don't Have The Same Authentic Look, But They Do Come With Visual Features, Like Led Lighting, Videos Of Burning Wood, And Even Hologram.


Web the heater on a freestanding electric fireplace works much like any conventional space heater. For planning, see if your electrician prefers the line on the unit's left or. Before installing or changing wiring, one must possess the proper.

Web Holden Fireplace Suite In Ivory With Modern Electric Fire.


Web for the most part, this is a straightforward diy project for someone with carpentry skills, although if you aren't electrically minded, you'll need a licensed. Web start by determining if the home already has wiring in place for the fireplace and be sure to have enough outlets near the location of your new electric fireplace. Has plenty of space around the unit to allow for air circulation.