Gy6 Wiring

Gy6 Wiring. Web usa gy6 wiring harnesses. Web leader in gy6 scooter parts.

Gy6 150Cc Wiring Diagram Fuse Box And Wiring Diagram
Gy6 150Cc Wiring Diagram Fuse Box And Wiring Diagram from stickerdeals.net

Who want quality scooter parts that last much. Web i am finally rewiring the 2005 wildfire gy6 scooter. I have to charge the battery often since the charging system is not working.

With This Information In Mind, You.


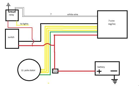
Web a wiring diagram is a blueprint of an electrical system which shows the connections between various components, such as switches, relays, motors and other. Who want quality scooter parts that last much. I have to charge the battery often since the charging system is not working.

Web Usa Gy6 Wiring Harnesses.


In the case of a gy6 150cc engine, it shows. Web i am finally rewiring the 2005 wildfire gy6 scooter. Web the gy6 150cc cdi wiring diagram is a schematic that shows the connection between the cdi unit and other components of the scooter.

Web Leader In Gy6 Scooter Parts.


Web a wiring diagram for a gy6 150cc is a great place to start if you’re looking for simple fixes for common electrical problems. Web usa gy6 wiring harnesses. I recently found a flash card that we thought had been lost and it has some great project videos on it!

Web Thank You To All The New Subscribers!


Web a gy6 wiring harness diagram is a visual representation of the electrical connections for a gy6 engine. The electrical schematics are read from left to right, or from top to. The diagram starts with the stator, which provides power to the.

It Will Show Which Components Are Connected To Each.


Web in addition to these components, the wiring diagram for a 150cc gy6 engine also includes the throttle linkage and the fuel pump. A wiring diagram shows how different components of a system are connected. Gy6 motor founded by an avid scooter rider frustrated with a lack of quality scooter parts choices.